| |
Waycon IC-Serie 位移傳感器(sensors) :



Draw Wires拉繩式: SX50 / SX80 / SX120 / SX135 /
SX50: 50mm, 125mm, 150mm, 250mm, 375mm, 500mm, 625mm, 1250mm
SX80: 1000mm, 2000mm, 2500mm, 3000mm
SX120: 3125mm, 4000mm, 5000mm, 6000mm
SX135: 8m, 10/15m, 20m, 25/30m, 35/40m
LX-PA Series / LX-EP Series:
LX-PA 2: 50mm
LX-PA 2.8: 70mm
LX-PA 3.8: 96mm
LX-PA 4.7: 120mm
LX-PA 10: 250mm
LX-PA 15: 380mm
LX-PA 20: 500mm
LX-PA 25: 625mm
LX-PA 30: 750mm
LX-PA 40: 1000mm
LX-PA 50: 1250mm
LX-EP 10: 250mm
LX-EP 15: 380mm
LX-EP 20: 500mm
LX-EP 25: 625mm
LX-EP 30: 750mm
LX-EP 40: 1000mm
LX-EP 50: 1250mm
HX with speed output:
HX-EP-10: 250mm
HX-EP-25: 640mm
HX-EP-50: 1250mm
HX-EP-60: 1.5m
HX-EP-80: 2.0m
HX-EP-100: 2.5m
Inductive Sensor LVDT: SL / SM
SL: 50mm, 80mm, 100mm, 150mm, 200mm, 300mm, 600mm
SM: 2mm, 10mm, 25mm, 50mm, 100mm, 200mm
Eddy Current電渦流式: TX / IC / CMSS
T05: 0.5mm
T2: 2mm
T3: 3mm
T4: 4mm
T5: 5mm
T10: 10mm
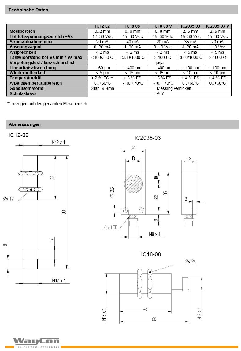
IC-02: 2mm
IC18-08: 8mm
IC18-08-V: 8mm
IC2035-03: 2.5mm
IC2035-03-V: 2.5mm
CMSS65: 0.254mm…2,032mm
CMSS68: 0.254mm…2,286mm
CMSS62: 1.524mm…7,620mm
Laser Distance激光傳感器
Digital rulers(Sony)
Digital Gauges(Sony)
Digital magnetic scale
Linear Potentionmeter線位移
Magnetostrictive磁致伸縮式
Ultrasonic超聲波式 |